|
手柄對夾蝶閥D71X原理作用: 蝶閥的啟閉件是一個圓盤形的蝶板,在閥體內繞其自身的軸線旋轉,從而達到啟閉或調節的目的。蝶閥的優點有結構簡單、體積小、重量輕、安裝尺寸小、開關迅速。
手柄對夾蝶閥D71X性能特點: ①小型輕便,容易拆裝維修,可任意位置安裝; ②結構簡單,90°回轉啟閉迅速; ③操作扭矩小,省力輕巧; ④流量特性趨于直線,調節性能好。 設計標準 | GB/T2238-1989 | 法蘭連接尺寸 | GB/T9113.1-2000;GB/T9115.1-2000;JB78 | 結構長度 | GB/T12221-1989 | 壓力試驗 | GB/T13927-1992;JB/T9092-1999 | 公稱通徑 | DN(mm) | 50~2000 | 公稱壓力 | PN(MPa) | 0.6 | 1.0 | 1.6 | 試驗壓力 | 強度試驗 | 0.9 | 1.5 | 2.4 | 密封試驗 | 0.66 | 1.1 | 1.76 | 氣密封試驗 | 0.6 | 0.6 | 0.6 | 適用介質 | 空氣、水、污水、蒸氣、煤氣、油品等。 | 驅動形式 | 手動、蝸桿蝸輪傳動、氣傳動、電傳動。 |
| 零件名稱 | 材料 | | 閥體 | 球墨鑄鐵、鑄鋼、合金鋼、不銹鋼 | | 蝶板 | 鑄鋼、不銹鋼及特殊材料 | | 密封圈 | 各種橡膠、聚四氟 | | 閥桿 | 2Cr13、不銹鋼 | | 填料 | O型圈、柔性石墨 |

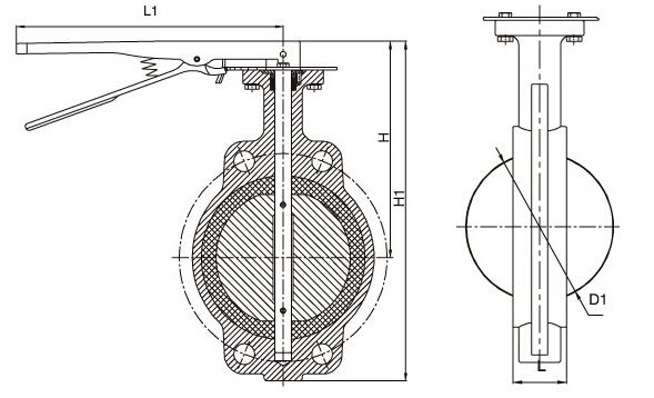
| 公稱通徑 | 結構長度 | 外形尺寸(參考值) | 連接尺寸(標準值) | | 0.6MPa | 1.0MPa | 1.6MPa | | 毫米 | 英寸 | L | H | H0 | A | B | D0 | n-d | D0 | n-d | D0 | n-d. | | 50 | 2 | 43 | 63 | 235 | 270 | 65 | 110 | 4-14 | 125 | 4-18 | 125 | 4-18 | | 65 | 21/2 | 46 | 70 | 250 | 270 | 65 | 130 | 4-14 | 145 | 4-18 | 145 | 4-18 | | 80 | 3 | 46 | 83 | 275 | 270 | 65 | 150 | 4-18 | 160 | 8-18 | 160 | 8-18 | | 100 | 4 | 52 | 105 | 316 | 270 | 65 | 170 | 4-18 | 180 | 8-18 | 180 | 8-18 | | 125 | 5 | 56 | 115 | 340 | 310 | 65 | 200 | 8-18 | 210 | 8-18 | 210 | 8-18 | | 150 | 6 | 56 | 137 | 376 | 310 | 65 | 225 | 8-18 | 240 | 8-22 | 240 | 8-22 |
|